| Index | wersja polska |
The presented device allows to transfer data between the FX-8000G and a PC through the serial port. It isn't compatible with the original FA-80 unit.
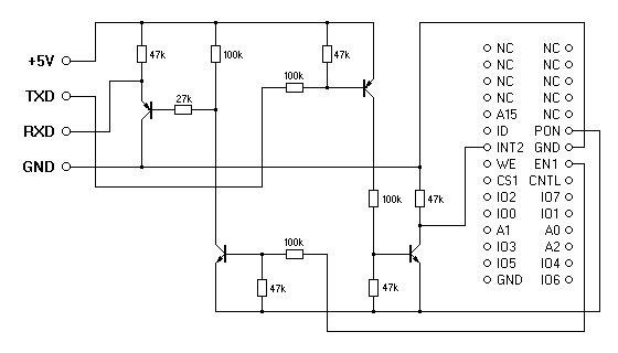
Circuit diagram of an interface for an RS232 port. It can only load data to the calculator.

Circuit diagram of an interface with 5V voltage levels. In order to be used with an RS232 or USB port, an additional converter is required, for example built around the MAX232 level shifter (RS232) or the FT232R chip (USB).

The communication programs are written in assembler. The method of entering and executing machine code on the FX-8000G is described on a separate page.
The program reads data from the serial port to the file editor area. The transfer is terminated when the DEL key was pressed, or when transmission error occurred.
2→S Hex 60B78A40:Prog 0 C00041C7:Prog 0 7C600F99:Prog 0 4802C300:Prog 0 C0847114:Prog 0 49F9822C:Prog 0 82087C5A:Prog 0 FA41081A:Prog 0 0BF10174:Prog 0 5B085EF1:Prog 0 0FF9820C:Prog 0 82082B82:Prog 0 01FE00FA:Prog 0 FA03F101:Prog 0 745B088C:Prog 0 000BF101:Prog 0 745B25F9:Prog 0 822C8208:Prog 0 7C5AFA70:Prog 0 B1880000:Prog 0
The timing critical parts are marked by the number of clock cycles in the comments. Please don't change them unless you know what you are doing!
ORG &H5AE8
BEGIN: CAL &HB78A ;"LOAD executing"
LDW IX,&HC000
LDW IY,&HC77C
CAL &H0F99 ;fill RAM from address IX to IY with &HFF
ADW IX,2 ;IX = &HC77D
PST IE,&H00 ;disable interrupts
PST KO,&H84 ;select the keyboard output KO9
; wait for the start bit
LOOP1: JMP K,&H1449 ;10 cycles, "Break" when DEL key was pressed
; it should take ca. 1.5*379 clock cycles from this point up to BIT1
GST R2,IF ;8 cycles
TAN R2,&H08 ;10 cycles
JMP Z,LOOP1 ;10 cycles
; start bit detected
LDW IY,&H081A ;10 cycles, R121 = bit counter, R57 = delay
; bit loop, should take 379 clock cycles from this point up to STORE
LOOP2:
DEL2: SB R57,1 ;10 cycles
JMP NZ,DEL2 ;10 cycles
LD R57,15 ;10 cycles, delay
; it should take 379 clock cycles from this point up to STOP1
BIT1: GST R2,IF ;8 cycles
AN R2,&H08 ;10 cycles
TSB R2,1 ;10 cycles, received bit -> Carry
ROD R0 ;8 cycles, R0 = received byte
NOP ;6 cycles
NOP ;6 cycles
; next bit
SB R121,1 ;10 cycles
JMP NZ,LOOP2 ;10 cycles
; store the received byte
STORE: ST -(IX),R0 ;16 cycles
DEL3: SB R57,1 ;10 cycles
JMP NZ,DEL3 ;10 cycles
; check for the stop bit
STOP1: GST R2,IF
TAN R2,&H08
JMP Z,LOOP1 ;next byte if no framing error
JMP &HB188 ;"I/O error"
The program dumps the RAM contents through the serial port. The transfer can be terminated with the DEL key.
2→S Hex 60B77B40:Prog 0 C000C300:Prog 0 C0847114:Prog 0 495E8203:Prog 0 A801FC81:Prog 0 405F8B90:Prog 0 0B830174:Prog 0 5B00FE02:Prog 0 FE01775B:Prog 0 12C10070:Prog 0 5AFDC101:Prog 0 745AFD23:Prog 0 F0E0775A:Prog 0 F2701449:Prog 0
ORG &H5AE8
BEGIN: CAL &HB77B ;"SAVE executing"
LDW IX,&HC000
PST IE,&H00 ;disable interrupts
PST KO,&H84 ;select the keyboard output KO9
; byte loop
LOOP1: JMP K,&H1449 ;"Break" when DEL key was pressed
LD R2,&H03 ;2 stop bits
LD R1,(IX)+
BIUM R1..R2 ;start bit
; bit loop, should take 379 clock cycles (=910000kHz/2400baud)
LOOP2: LDM R3..R4,16 ;14 cycles, dummy load to R4
DEL: SB R3,1 ;10 cycles
JMP NZ,DEL ;10 cycles
; Carry cleared at this point
ROD R2 ;8 cycles
ROD R1 ;8 cycles, transmitted bit -> Carry
JMP C,ONE ;10 cycles
PST IF,&H00 ;8 cycles
JMP LOOP2 ;10 cycles, next bit
ONE: PST IF,&H01
JMP NZ,LOOP2 ;next bit
; next byte
TSB R120,&HE0 ;end of the RAM?
JMP C,LOOP1 ;next byte if not
JMP &H1449 ;"Break"