Index / Mass storage and printer interface wersja polska wersja polska

The parallel port board

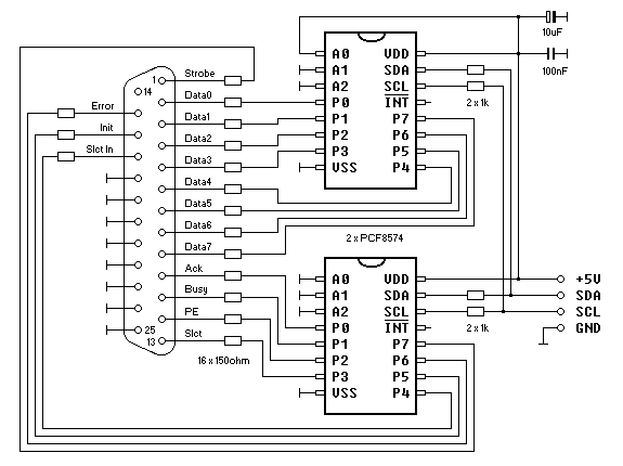
Circuit diagram of the parallel port board

Photograph of the parallel port board