



![]() |
|

![]() |
The microprocessor μPD1007 is also used in the calculators FX-6000G, FX-7000G, FX-8500G. |
The microprocessor HD62076/μPD3055 is also used in the calculators FX-7700G, FX-8700G.

The microprocessor HD62023/μPD1037 is also used in the financial calculator FC-1000 and in the organizers SF-4000, SF-4100, SF-7500.



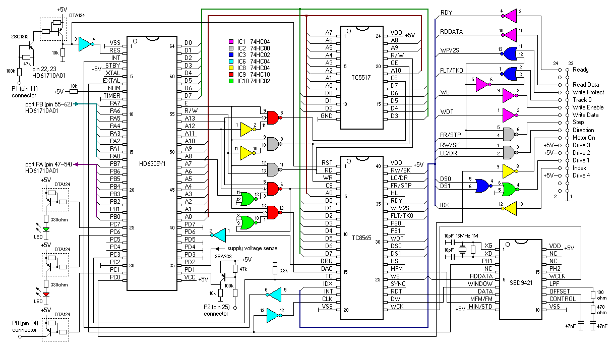
The design of this calculator is obviously based on the Casio FX-700P, but it appears to be an entirely different machine after all. It uses a 16-bit PDP-11 compatible microprocessor along with external RAM, program ROM and LCD controller. Such open architecture makes it an interesting object of hacking.
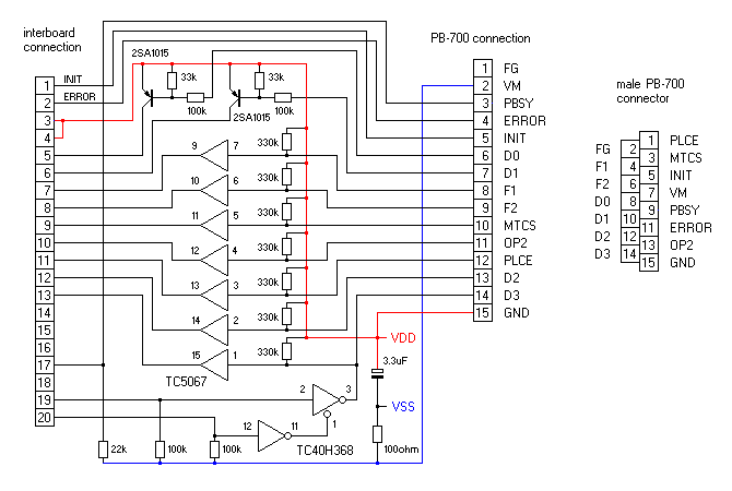
The design of this electronic organizer is inspired by a similar Casio PF-3000 model, but it is built on the same component base as the Elektronika MK-85.

This web site is maintained by Piotr Piatek.